ANSVC無功補償裝置在河北某購物廣場中的應用
楊興媚
江蘇安科瑞電器制造有限公司 江蘇江陰 214400
摘要:隨著大型購物廣場的發展,良好的廣告展示、一站式的購物體驗以及高標準的硬件設施,成為大型購物廣場的標準配置,而構建這些光鮮亮麗的裝飾背后,是一個龐大而復雜的供電系統,此系統的電能質量是保障購物廣場穩定可靠運行的決定因數,安裝ANSVC無功補償裝置是提高電能質量快速合理的方法。
關鍵詞:電能質量,購物廣場,SVC,無功補償
1:概述
大型購物廣場配置的設備,如LED屏、變頻空調、熒光燈、UPS電源等負載,這些非線性負載在實際運行中都會產生無功消耗及諧波。LED屏功率因數為1,變頻空調功率因數0.8,客梯功率因數0.65。當功率因數小于0.9,電費增收;當功率因數大于0.9,電費減收。購物廣場功率因數普通較低,采用集中補償的方式在變壓器進線柜側安裝的ANSVC無功補償裝置可合理地補償無功,提高電能質量,降低用電成本。
2:項目概述:
河北某購物廣場位于火車站、客運站附近,擁有強大的人流量、物流量、資金量等各種優勢,8萬平大型商業綜合體,填補區域市場空白,地理位置優越,交通網絡發達。該購物廣場內需要對每層空調風機以及照明用電加配無功補償裝置,1號變壓器容量為1250KVA主要提供照明用電,功率因數在0.8左右,電流諧波畸變率達15%,導致電流波形畸變,嚴重偏離正弦波,主要以3次諧波為主;2號變壓器容量1600KVA主要提供空調冷凍水泵用電,功率因數在0.75左右,電流諧波畸變率達12%,導致電流波形畸變,嚴重偏離正弦波,主要以5、7次諧波為主。
圖1 1#變壓器測量圖
|
|

圖2 2#變壓器測量圖
3:解決方案
根據現場情況,建議增加ANSVC無功補償裝置,功率因數補償至0.95,減少電費支出。根據變壓器的不同選擇不同的配置方案,1號變壓器3次諧波較大,選用容量為250kvar的14%電容電抗器;而2號變壓器由于5、7次諧波較大,選用容量為400kvar的7%電容電抗器。
1#變壓器:
圖3 1#變壓器接線圖
|
|
根據圖紙選擇合適的配置方案:250kvar=50kvar *4 +25kvar *2,電抗率14%。
圖4 1#變選型圖
|
|
2#變壓器:
圖5 2#變壓器圖紙
|
|
根據圖紙選擇合適的配置方案:200kvar=40kvar *4 + 20kvar *2,電抗率7%。
圖6 2#變選型圖
4:ANSVC無功補償裝置
4.1 概述
ANSVC無功補償裝置適用于頻率50Hz電壓0.4KV的系統中,ANSVC低壓無功功率補償裝置并聯在整個供電系統中,能根據電網中負載功率因數的變化控制電力電容器投切進行補償。其原理為:ANSVC低壓無功功率補償裝置通過CT采集電流、電壓信號,由無功補償控制器計算,計算出投切電容器的方案,通過投切開關控制各組電力電容器投切。
圖7 ANSVC無功補償裝置
4.2 ANBSMJ自愈式并聯電容器
ANBSMJ系列自愈式低壓并聯電容器一般應用于低壓交流電力系統中,對工頻低壓電力系統設備的功率因數進行校正,就地或者集中補償無功,電容器采用自愈式并聯電容器,自愈式在擊穿后可以進行自我恢復,工作狀態下損耗小,并聯式電容器即使損壞也不會影響電網的正常使用。電容器從外形上分為圓形(圖8)和方形(圖9),功能上分為共補電容和分補電容(圖10)。
圖8 圓形電容
圖9 方形電容器
圖10 共補分補電容器上圖示例
4.3 ANCK串聯電抗器
ANCK系列串聯電抗器與ANBSMJ系列自愈式低壓并聯電容器配套使用,主要用于提高0.4KV電力系統的功率因數,減輕電容器由諧波引起的過載,防止諧波過大,對電容器的安全運行,穩定網絡電壓波形,提高供電質量和電網安全經濟運行起良好作用,適用于3、5、7、9次諧波負載的無功補償。ANCK采用銅或鋁繞組,電抗分為共補電抗(圖4)和分補電抗(圖5),共補電抗器主要用于三相負載,分補電抗器主要用于單相負載,電抗率分為7%或14%。
圖11 共補電抗
圖12 分補電抗
4.4 AFK投切開關
AFK系列投切開關是低壓無功補償裝置中,用于投切電容器的產品。其基本工作原理是在控制器發出投入或切除指令后,投切開關閉合或斷開,將無功補償支路與系統連接或中斷,實現過零投切,投切過程無過壓、電弧等現象,響應時間快,可頻繁投切。投切開關分為復合開關(圖6)和晶閘管開關(圖7)。
圖13 復合開關圖
圖14 晶閘管開關
4.5 ARC控制器
ARC功率因數補償控制器采用高性能MCU為核心,配以高精度的電量專用芯片,是以功率因數為取樣物理量的補償器,改控制器能可靠地運行在大諧波、非正弦電流、強干擾等任何惡劣電網環境下。自適應功能保證了電力電容的使用安全,實現了電容補償柜的自動穩定投切,合理完善電網的功率因數,是低壓配電系統補償無功功率的理想控制器。
產品的主要特點:缺相保護、過溫保護、過壓欠壓保護、電壓電流諧波保護、多種編碼投切、補償方式多樣化。
ARC控制器外形尺寸(mm):144*144
開孔尺寸(mm):138*138
圖15 控制器外形
圖16 控制器尺寸
4.6 技術參數

|
|
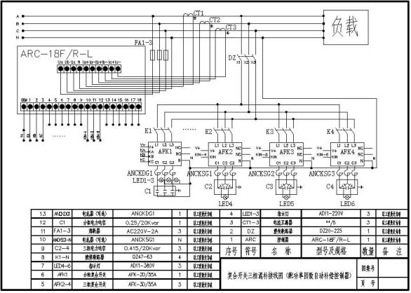
4.7 接線方式
5 結語
ANSVC無功補償裝置可合理解決該購物廣場功率因數偏低的問題,提高電能質量,可以降低電網損耗和用電成本,能保障電力系統的安全用電、連續供電和經濟運行。ANSVC無功補償裝置在運行中安全可靠,保護功能齊全,與電能質量云平臺配合使用,能夠更加方便快捷地檢測電網系統,減少人力資源的投入。
6 參考文獻
[1]企業微電網設計與應用手冊.2020.6
[2]丁書文.現代電能質量問題及其檢測管理與治理[J].華中電力,2004,3.
[3]李鶴,電氣系統中無功補償技術的合理應用[J].數字技術與應用,2018,36(6);94-95.
7 作者介紹
楊興媚,女,現任職于江蘇安科瑞電器制造有限公司,主要研究方向為傳統無功補償產品的應用。手機:18860995115,QQ:2881068602,郵箱:yangxingmei@email.acrel.cn




掃一掃添加微信