ASJ系列剩余電流繼電器在船舶的應用
摘要:漏電保護 對保證船舶安全具有重要作用,船舶由于結構復雜,漏電保護系統具有其特殊性,本文將探討船舶漏電保護器的選用及應用,對防止觸電,避免因漏電而引起的火災事故,具有重要作用。
關鍵詞:船舶;應用;漏電保護器
0:概述
船舶電氣系統中接地故障(接地短路)有金屬性和電弧性兩種形式。故障點熔焊,故障點的阻抗可忽略不計的接地故障為金屬性接地故障。金屬性接地故障能使設備外殼帶危險接觸電壓,其主要后果是人身電擊。
發生接地故障時,故障點不熔焊而是產生電弧 、電火花(密集的電火花即是電弧)的接地故障為電弧性接地故障。電弧、電火花具有很大阻抗,它限制了接地故障電流,使過流保護電器不能動作或延緩許久才能動作,但故障點或連接不良的線接頭上迸發的電弧、電火花的局部高溫可達2000~3000℃,很容易引燃近旁可燃物質,引起電氣火災。
因此,船舶安裝漏電保護器對防止觸電、避免因漏電而引起的火災事故,具有重要作用。
1:漏電保護器原理
漏電保護器主要包括檢測元件、中間環節、執行元件以及實驗元件等部分。
檢測元件為一個剩余電流互感器。被保護的相線、中性線穿過環形鐵芯,構成了互感器的一次線圈N1,纏繞在環形鐵芯上的繞組構成了互感器的二次線圈N2,如果沒有漏電產生,這是流過相線、中性線的電流矢量和為零,因此在N2上也不能產生相應的感應電動勢。如果發生了漏電,相線、中性線的電流矢量和不等于零,就使N2上產生感應電動勢,這個信號就會被送到中間環節進行進一步的處理。
中間環節通常包括放大器、比較器、脫扣器等,其作用就是來自零序互感器的漏電信號進行放大和處理,并輸出到執行機構。
執行機構用于接收中間環節的指令信號,實施動作,自動切斷故障處的電源,從而實現保護。由于漏電保護器是一個保護裝置,因此應定期檢查其是否完好、可靠。實驗裝置就是通過實驗按鈕和限流電阻的串聯,模擬漏電路徑,以檢查裝置是否正常工作。
漏電保護器一般可分為漏電保護繼電器、漏電保護開關和漏電保護插座三種。漏電保護器繼電器是指具有對漏電流檢測和判斷的功能,而不具有切斷和接通主回路功能的漏電保護裝置。漏電保護開關是指不僅其與其他斷路器一樣可將主電路接通或斷開,而且具有對漏電流檢測和判斷的功能,當主回路中發生漏電或絕緣破壞時,漏電保護開關可根據判斷結果將主電路接通或斷開。漏電保護插座是指具有對漏電流檢測和判斷并能切斷回路的電源插座。其額定電流一般為20A以下,漏電動作電流6~30mA,靈敏度較高。
2:船舶漏電保護器的選用
依據國家、行業及船舶標準和規范,我們在選用漏電保護器時應遵循以下主要原則:1)漏電保護器應選用檢驗合格產品。
2)應根據保護范圍、人身設備安全和環境要求確定漏電保護器的電源電壓、工作電流、漏電電流及動作時間等參數。
3)電源采用漏電保護器做分級保護時,應滿足上、下級開關動作的選擇性。一般上一級漏電保護器的額定漏電電流不小于下一級漏電保護器的額定漏電電流,這樣既可以靈敏地保護人身和設備安全,又能避免越級跳閘,縮小事故檢查范圍。
4)手持式電動工具、移動式機電設備以及觸電危險性較大的用電設備,安裝漏電保護器。
5)臨時線路的用電設備,結構物中插座回路,潮濕、高溫、金屬占有系數較大和其他導電良好的場所,應安裝漏電保護器。
6)固定線路的用電設備和正常作業場所,應選用帶漏電保護器的動力配電箱。臨時使用的小型電器設備,應選用漏電保護插頭(座)或帶漏電保護器的插座箱。
7)漏電保護器作為直接接觸防護的補充防護時,應選用高靈敏度、快速動作型漏電保護器。一般環境選擇動作電流不超過30mA,動作時間不超過0.1s,這兩個參數保證了人體如果觸電時,不會使觸電者產生病理性勝利危險效應。
8)對于不允許斷電的電氣設備,如通道照明、應急照明、消防設備的電源、用于防盜報警的電源等,應選用報警式漏電保護器接通聲光報警信號,通知管理人員及時處理故障。
3. 產品概述
剩余電流繼電器是由剩余電流互感器來檢測剩余電流,并在規定條件下,當剩余電流達到或超過給定值時,使電器的一個或多個電氣輸出電路中的觸點產生開閉動作的開關電器。
下面介紹三種常見的漏電情況。
1、防直接接觸電擊采用I△n≤30mA的高靈敏度的RCD。
2、防間接接觸電擊可采用I△n大于30mA的中靈敏度的RCD。
3、防火RCD需采用4極或2極RCD。
對于IT系統,按規定采用剩余電流繼電器。為防止系統絕緣降低和作為二次故障后備保護,依據接線型式,采用類似 TT 或 TN 系統的保護措施。首先應采用絕緣監視裝置,預測一次故障。
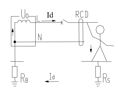
對于TT系統,推薦采用剩余電流繼電器。因為當發生單相接地故障時,故障電流很小,且較難估計,達不到開關的動作電流,外殼上將出現危險電壓。此時N線穿過剩余電流互感器。
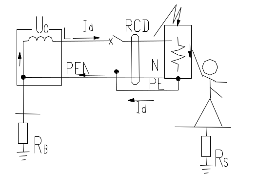
對于TN-S系統,可采用剩余電流繼電器。更快速靈敏切斷故障,以提高安全可靠性,此時 PE 線不得穿過互感器,N 線穿互感器,且不得重復接地。
對于TN-C系統,不能采用剩余電流繼電器。因為 PE 線和 N 線合一,若 PEN 線不重復接地,當外殼帶電,互感器進出電流相等,ASJ拒動;若PEN線重復接地,部分單相電流將流入重復接地,達一定值后,ASJ 誤動。 需將TN-C系統改造成TN-C-S系統,同TN-S系統,再將剩余電流互感器接入TN-S系統中。

4.產品簡介
安科瑞電氣ASJ系列剩余電流繼電器能夠滿足上述幾種漏電情況的防護,與遙控跳閘開關聯用,及時切斷電源,防止間接接觸、限制漏電電流。也可以直接作為信號繼電器,監控電力設備。特別適用于學校、商廈、工廠車間、集貿市場、工礦企業、消防單位、智能大廈與小區,地鐵、石油化工、電信及國防等部門用電的安全保護。
ASJ系列產品主要有兩種安裝方式,ASJ10系列為導軌安裝,外形和功能如下表所示:
ASJ20系列為面板安裝,外形和功能如下表所示:
其中AC型和A型剩余電流繼電器的區別是:AC型剩余電流繼電器是對突然施加或緩慢上升的剩余正弦交流電流能確保脫扣的剩余電流繼電器,主要監測正弦交流信號。A型剩余電流繼電器是對突然施加的或緩慢上升的剩余正弦交流電流和剩余脈動直流電流能確保脫扣的剩余電流繼電器,主要監測正弦交流信號和脈沖直流信號。
儀表具體的接線端子和典型接線如下所示:
5.結語
利用漏電保護裝置,可以在船舶電力系統中構成一個完整的選擇性漏電保護系統。保證有選擇性地切除漏電故障,加大了電力系統安全性,對船舶工作人員和船舶安全有重要作用。
參考文獻
[1] 葉偉平. 船舶漏電保護器的應用[J]. 廣東造船, 2010, 29(2):2.
[2] 企業微電網設計與應用手冊.2020.6
[3] 史際昌. 船舶電氣設備及系統[M]. 大連海事大學出版社, 1998.
[4] 張琦兵, 王鵬, 邰能靈,等. 船舶選擇性微機漏電保護系統[J]. 電力系統保護與控制,




掃一掃添加微信