消防應急照明燈具
1. 概述
消防應急照明燈具的主要作用是為人員疏散逃生提供照明。其安裝方式有壁掛式、吸頂式、嵌頂式三種。
照明燈具的狀態信息通過通訊線傳到分配電裝置,然后由分配電裝置將數據傳給應急照明控制器,并受應急照明控制器的控制及管理。消防應急照明燈具可通過我公司生產的電子編碼器進行現場編碼。
2. 產品選型

3. 技術特性
1. 工作電壓:DC36V
2. 光源類型:LED
3. 應急時間:大于 90min
4. 故障檢測:光源出現短路、斷路時,標志燈發送故障信號
5. 編碼方式:采用電子編碼方式,占用一個地址
6. 使用場所:室內
7. 使用環境:溫度:0℃~+55℃
8. 相對濕度:≤95%,不凝露
9. 防護等級:IP30
10. 執行標準:GB 17945-2010
4. 尺寸與安裝方式
4.1. 產品尺寸
a.壁掛式:209*119*75mm

壁掛式尺寸圖(正、背、側)
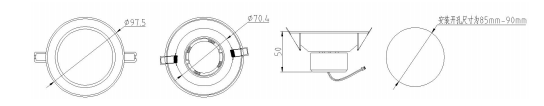
b.嵌頂Ⅰ型:Φ97.5mm(直徑)

嵌頂Ⅰ型尺寸圖(正、背、側)
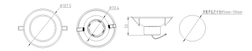
c.嵌頂Ⅱ型:Φ107.5mm(直徑)

嵌頂Ⅱ型尺寸圖(正、背、側)
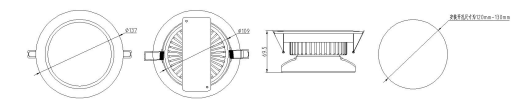
d.嵌頂Ⅲ型:Φ137.5mm(直徑)

嵌頂Ⅲ型尺寸圖(正、背、側)
e.吸頂式:Φ255mm(直徑)

吸頂式尺寸圖(正、背、側)
4.2. 安裝方式
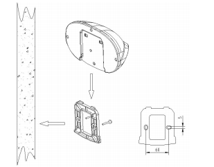
a.壁掛式燈具安裝:先在墻上開好安裝孔位,相應的燈具開孔尺寸為 60mm,將燈具底座用螺釘固定在墻上,再將照明燈具由上往下插入燈具底座后,掛于墻上,實現壁掛式安裝。

壁掛式照明燈具安裝圖
b.嵌頂式燈具安裝:在天花板上開好安裝孔位,相應的燈具開孔尺寸為φ97.5mm(或 107.5),天花 板厚度為 1-20mm。將燈具上的彈簧按圖所示方向撐開到可以塞入安裝孔,保持彈簧張開狀態,將燈具放入安裝孔,松開彈簧,此時彈簧復位,將燈具固定在天花板上,即完成安裝。

嵌頂式照明燈具安裝圖
c.吸頂式燈具安裝:先將標準型 86 預埋盒安裝好;再固定安裝支架,安裝支架固定位置與預埋盒中心位置偏移 43mm。連接好總線及電源線;將安裝支架卡入燈具內,并擰上螺釘,即完成安裝.

吸頂式照明燈具安裝圖
5. 產品通訊方式與布線
5.1. 通訊方式
二總線通訊,無極性。
5.2. 布線要求
通訊線采用 NH-RVSP-2*2.5mm2型線纜,布線應與動力電纜、高低壓配電電纜等不同電壓等級的電纜分開布置,不能布設在同一線管或線槽內。
6. 故障處理
常見問題與處理方法

上一篇:變電所運維云平臺
下一篇:ADW300無線計量儀表




掃一掃添加微信