微波及照度二合一傳感器
1. 概述
ASL100-T2/BR微波及照度二合一傳感器,采用先進的單片機技術,是具有高穩定性、高可靠性,強抗干擾能力的控制模塊。此模塊是安科瑞推出的基于Acrel-bus智能照明控制系統中的傳感器,在系統中,傳感器配合其他控制模塊可以實現光照、風機、空調等的智能控制。
該產品符合國標GB-T20965-2013《控制網絡HBES技術規范_住宅和樓宇控制系統》的規定。
2. 產品型號

3. 技術參數
供電特性
KNX總線供電
DC21…30V
供電電流
<12mA
功耗
<360mW
負載電流
<16A
外部連接
KNX-TP1
符合KNX標準的雙絞線(EIB BUS 2*2*0.8四芯屏蔽線)
負載端接線端子
使用標準的KNX總線端子
溫度范圍
工作溫度
-5℃…+45℃
存儲溫度
-25℃…+55℃
運輸溫度
-30℃…+70℃
環境要求
最大空氣濕度
95%
傳感器感應范圍
安裝高度≤5m
最大感應角度120°
外殼防護等級
IP20
4. 安裝與接線
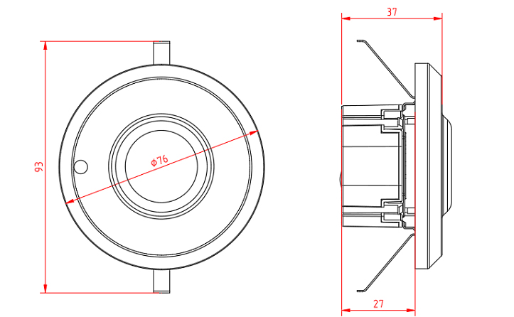
4.1 外形及安裝尺寸(單位 mm)

4.2 安裝方式
本產品采用嵌入式安裝,通過產品左右兩側的彈簧片進行固定。
該傳感器開孔尺寸如下,建議安裝孔尺寸大小ф58mm±3mm。
4.3 接線說明

① KNX總線端子:
此端子是KNX標準總線端子,其中紅色是正極,黑色是負極。
該模塊無需額外的電源供電,只需將模塊的KNX總線端子用KNX總線線纜和系統連接起來即可。
在實際項目需要接線時,KNX總線線纜的紅線和黃線對應正極,黑線和白線對應負極。
② 運行及編程指示燈:
等待編程時,該指示燈呈紅色;
編程過程中及編程完成后,該指示燈呈綠色。
正常運行時,該指示燈呈綠色,且以約1s的頻率閃爍。
③ 編程按鍵:
按下編程按鍵,模塊進入待編程狀態,再次按下按鍵,編程狀態結束。
④ 光照度感應:
此光耦對應光照度檢測通道,安裝時,注意不要遮擋。
⑤ 雷達感應:
內置雷達感應模塊,安裝時,注意不要遮擋。
5. 主要功能
微波及照度二合一傳感器一般用于走道、車庫等公共場所,通過檢測并判斷現場環境,實現自動控制,避免長時間開燈而造成電能的浪費,達到節能和自動化的目的。
傳感器的主要功能有照度檢測、微波感應及邏輯運算,此外,通過ETS軟件,還可設置三種數據類型的輸出,光照度閾值范圍等功能。
6. 注意事項
使用產品之前需檢查外觀是否完好,若有損壞及時找銷售商。
按照使用說明書正確接線,注意不要頂到編程按鍵。接線完成后認真核查,確保接線正確。
接線時,請選擇符合KNX標準的總線端子和總線線纜(EIB BUS 2*2*0.8四芯屏蔽線)。
將產品連接到總線后,確保運行指示燈正常。操作編程按鍵,確保按鍵無卡頓,編程燈正常。
上一篇:智能照明窗簾驅動器
下一篇:紅外及照度二合一傳感器




掃一掃添加微信